Poolandspa.com > Store > Swimming Pool Products > Pool Parts > Pumps > Premier
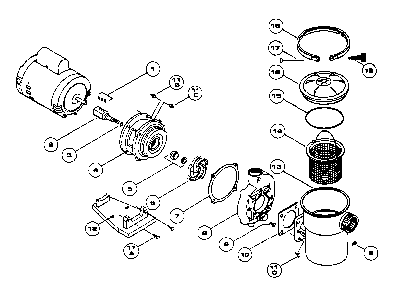
Premier 556 AB SERIES

Poolandspa.com > Store > Swimming Pool Products > Pool Parts > Pumps > Premier
Poolandspa.com > Store > Swimming Pool Products > Pool Parts > Pumps > Premier

Poolandspa.com > Store > Swimming Pool Products > Pool Parts > Pumps > Premier