Poolandspa.com > Store > Swimming Pool Products > Pool Parts > Pumps > Premier
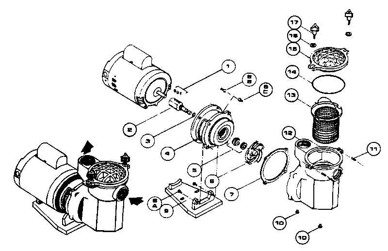
Premier 455 SERIES - UNICAST

Poolandspa.com > Store > Swimming Pool Products > Pool Parts > Pumps > Premier
Poolandspa.com > Store > Swimming Pool Products > Pool Parts > Pumps > Premier

Poolandspa.com > Store > Swimming Pool Products > Pool Parts > Pumps > Premier