Poolandspa.com > Store > Swimming Pool Products > Pool Parts > Pool Cleaners > Aqua Vac
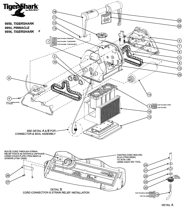
Aqua Vac PINNACLE - 9954

Poolandspa.com > Store > Swimming Pool Products > Pool Parts > Pool Cleaners > Aqua Vac
Poolandspa.com > Store > Swimming Pool Products > Pool Parts > Pool Cleaners > Aqua Vac

Poolandspa.com > Store > Swimming Pool Products > Pool Parts > Pool Cleaners > Aqua Vac