Poolandspa.com > Store > Swimming Pool Products > Pool Parts > Pool Cleaners > Aqua Vac
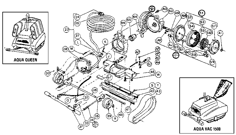
Aqua Vac AQUA QUEEN - 1993-Present

Poolandspa.com > Store > Swimming Pool Products > Pool Parts > Pool Cleaners > Aqua Vac
Poolandspa.com > Store > Swimming Pool Products > Pool Parts > Pool Cleaners > Aqua Vac

Poolandspa.com > Store > Swimming Pool Products > Pool Parts > Pool Cleaners > Aqua Vac