Poolandspa.com > Store > Swimming Pool Products > Pool Parts > Pool Cleaners > Aqua Vac
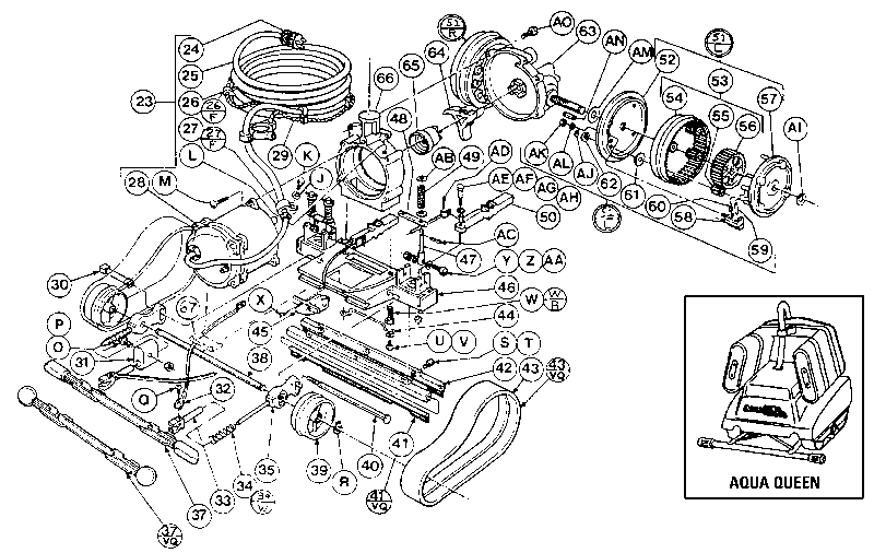
Aqua Vac AQUA QUEEN - 1978-1987

Poolandspa.com > Store > Swimming Pool Products > Pool Parts > Pool Cleaners > Aqua Vac
Poolandspa.com > Store > Swimming Pool Products > Pool Parts > Pool Cleaners > Aqua Vac

Poolandspa.com > Store > Swimming Pool Products > Pool Parts > Pool Cleaners > Aqua Vac